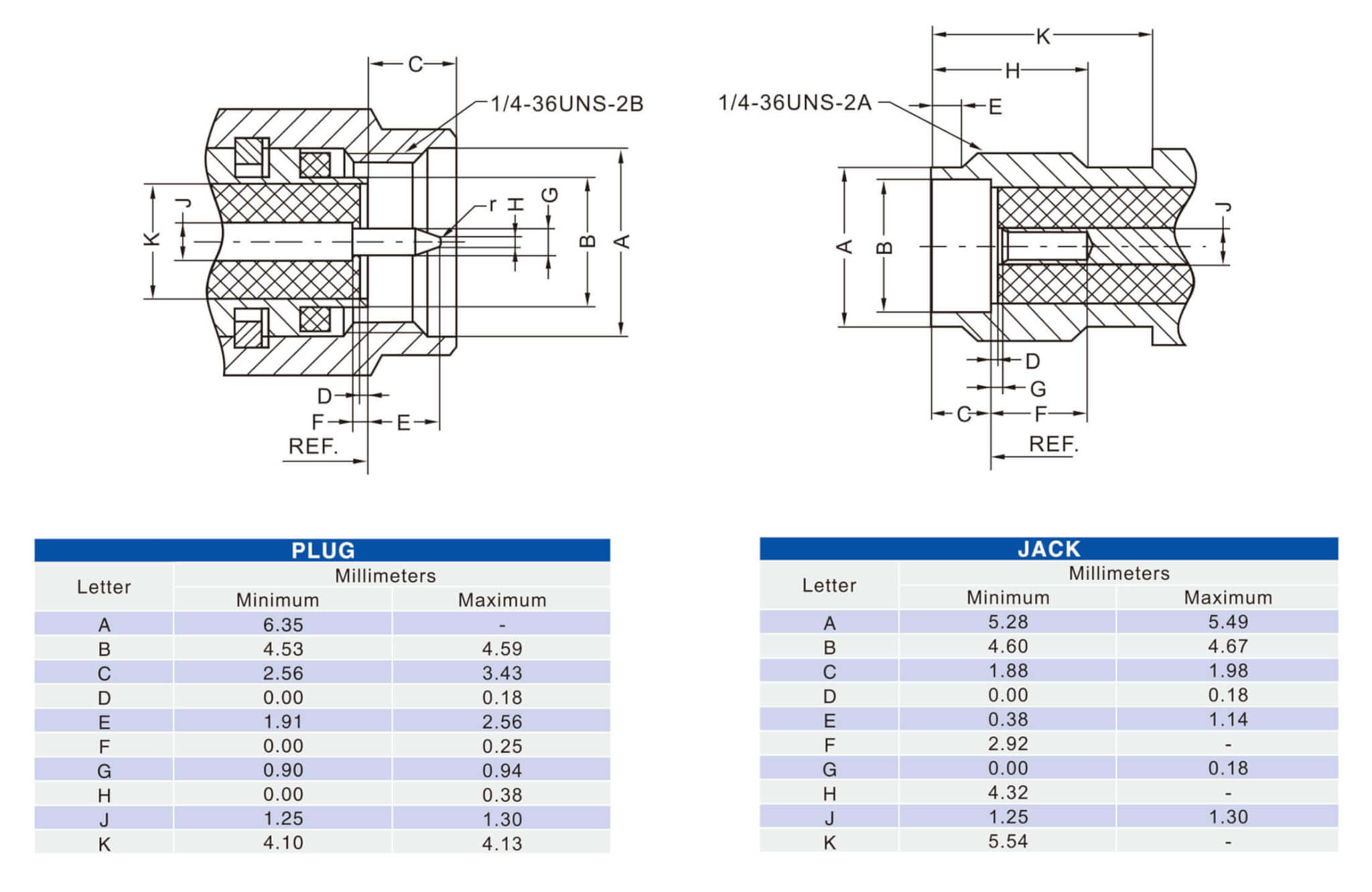
SMA接插件是一种应用广泛的小型螺纹连接的同轴接插件,它具有频带宽、性能优、高可靠、寿命长的特点。SMA接插件适用于微波设备和数字通信系统的射频回路中连接射频电缆或微带线。主要应用于航天和工防:手持现场设备、仪表,医疗:仪表,商用汽车:蓝牙、GPS,通讯、电信:基站,数据、通信:WIFI网络、无线城域网(WiMAX),工业:主动/被动组件, 仪表,机器对机器通信。
仁昊伟业是专业sma接头、sma接口、SMA接插件生产厂家,各种规格SMA接插件,更多未列出SMA产品,可向我们的在线客服索取。
- SMA接头高性能电子接插件,最高可达18GHz,低反射;
- SMA接头螺纹型锁紧方式保证产品的损耗和高安全性,设计紧凑;
- SMA接头小尺寸接头适用于更小的安装空间和更广泛的应用场景;

SMA系列产品展示

4孔母头面板安装直式同轴接插件sma法兰盘

sma方形4孔法兰座子直式面板安装公头RF接插件射频同轴

sma射频接插件4孔方形法兰座子直式母头面板安装

sma同轴接插件接头视频2孔法兰直式母头面板安装

sma头接插件4孔法兰座直式母头面板安装

sma型射频同轴接插件4孔方形法兰座公头面板安装

sma2孔法兰直式母头面板安装射频同轴接插件

sma接插件防水4孔方向法兰面板射频同轴系列

sma接插件连接直式母头镀金PCB边缘卡板

sma镀金公头PCB直插板射频同轴接插件

sma同轴接插件接头母头防尘弯式PCB板端

sma系列射频接插件弯式镀金方形5引脚pcb板

sma射频同轴接插件母头pcb直插板端

sma射频同轴接插件边缘卡板直式镀金母头

sma同轴接插件镀金直式母头边缘卡板

sma同轴弯式母头接pcb板

sma射频接插件镀金母头弯式PCB板端

sma射频接插件反极性镀金弯式插座PCB板

sma接插件PCB板端弯式镀金母头

sma接插件弯式方形5引脚母头PCB板端
sma接插件产品界面

SMA接头性能展示
SMA接头电气性能
- 阻抗:?50 ohm
- 频率范围:0~6 GHz
- 电压驻波比:直式 ≦ 1.3max / 弯式≦ 1.5max
- 耐电压:接RG142,RG405线缆时为1000 V rms
接RG316,RG402线缆时为750 V rms
接RG142,RG405线缆时为500 V rms - 工作电压:接RG142,RG405线缆时为500 V rms
接RG316,RG402线缆时为375 V rms
接RG142,RG405线缆时为170 V rms - 中心接触电阻:≦ 6.0mΩ (Milliohms max.)
- 外接触电阻:≦ 2.0 mΩ (Milliohms max.)
- 绝缘电阻:≧ 5*103 mΩ (Megohms min.)








